8BDGC-25G韩国DKM电磁制动电动机25W
电机型号中的口里应标明电压和相数(请参考电机型号表)。
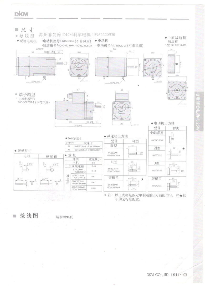
减速箱和中间减速箱是另外销售产品。减速箱型号中的C门里应标明减速比。有颜色的部分的减速箱输出轴方向与电机输出轴方向一致, 没有颜色的部分则相反。
转数以电机的同期旋转速度(50Hz: 1500rpm, 60Hz : 1800rpm)为基准,再除以相应减速比就能得出转数。
实际的转数根据负载的大小可能比标记的数值小2~20%左右。
韩国DKM电机电磁制动电机:
适用于保持负载- 加装保持负载的电磁制动器;
- 定速运转+简单的位置控制(控制度:2星);
- 关闭电源时0.2秒内停止(过转量:2~3转);- 可正反转。
8BDGC-25G 9BDGC-40G 9BDGC-60FP 9BDGC-90FP 9BDGC-120FP 9BDGC-150FP 9BDGC-180FP 8BDGG-25G 9BDGG-40G 9BDGG-60FP 9BDGG-90FP 9BDGG-120FP 9BDGG-150FP 9BDGG-180FP
8BDGK-25G 9BDGK-40G 9BDGK-60FP 9BDGK-90FP 9BDGK-120FP 9BDGK-150FP 9BDGK-180FP 8SBDGC-25G 9SBDGC-40G 9SBDGC-60FP 9SBDGC-90FP 9SBDGC-120FP 9BDGC-150FP 9SBDGC-180FP 8BDGG-25G 9BDGG-40G 9BDGG-60FP 9BDGG-90FP 9BDGG-120FP 9BDGG-150FP 9BDGG-180FP 8BDGK-25G 9BDGK-40G 9BDGK-60FP 9BDGK-90FP 9BDGK-120FP 9BDGK-150FP 9BDGK-180FP

