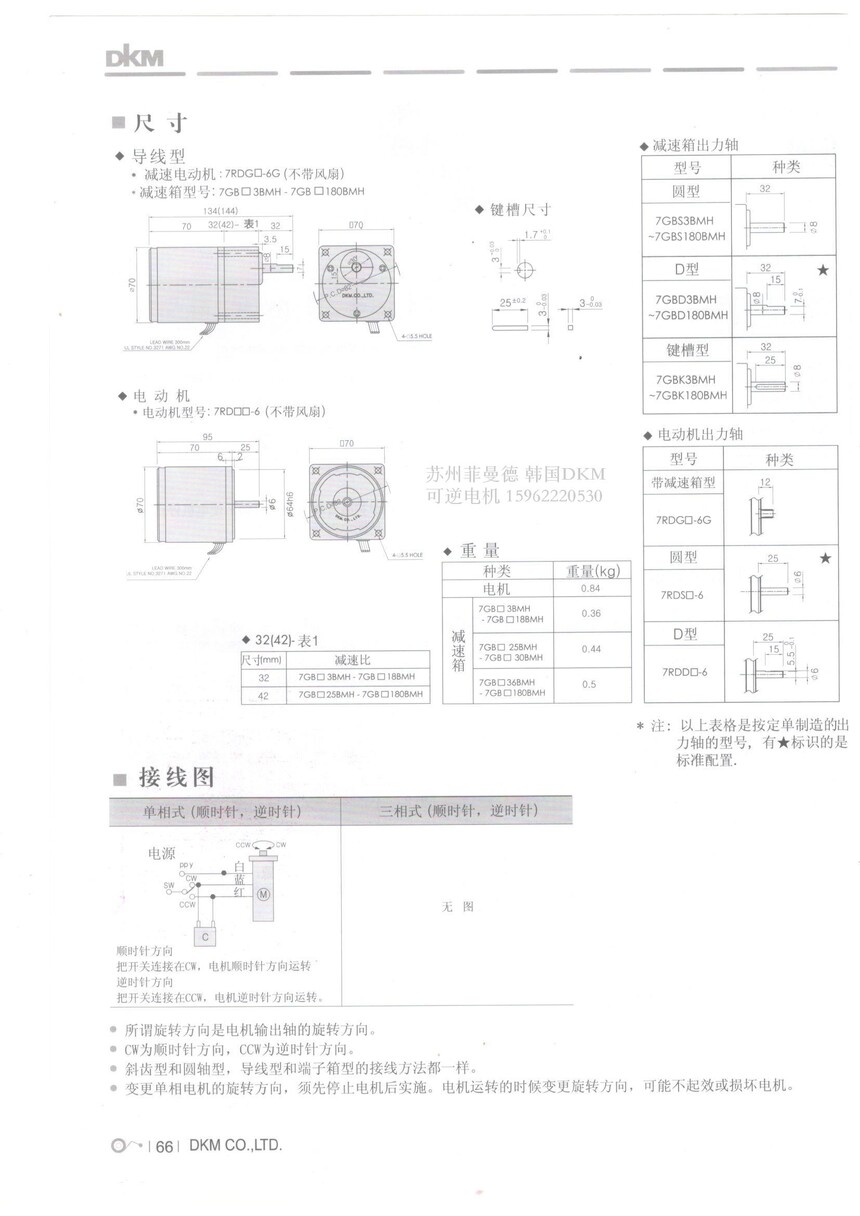
7RDGC-6G韩国DKM可逆电机 正反转
韩国DKM电机可逆电机:
于正反转. 适用于频繁换运行方向的用途;
- 定速运转+简单的位置控制(控制度:1星)
- 关闭电源时0.5秒内停止(过转量:5~6转);- 可正反转。
8RDGC-25G 9RDGC-40G 9RDGC-60FP 9RDGC-90FP 9RDGC-120FP 8RDGG-25G 9RDGG-40G 9RDGG-60FP 9RDGG-90FP 9RDGG-120FP 8RDGK-25G 9RDGK-40G 9RDGK-60FP 9RDGK-90FP 9RDGK-120FP
DKM电机说明事项:
·绝缘电阻
在常温,常温条件下电机额定运转的时候电机内部的线圈与机壳之间用DC500V MEGA测定值为100MΩ以上
·绝缘内压
在常温,常湿条件下电机额定运转的时候电机内部的线圈与机壳之间用50HZ或60HZ加1.5KV一分钟无**异常。
·电机温度
附带减速箱或同等的发热器后,使电机额定运转,用电阻器测定线圈的温度值在80℃以下。
·绝缘等级
B类(130℃)
·过热保护装置
50Hz类型电机及出口用产品内藏过热保护装置(自动复位型)保护启动:130℃±5℃,复位82℃±15℃,其它类型的电机根据客户需要可以加载。
使用环境温度-10℃~+40℃[三相200VAC:-10℃~+50℃](不能结冰)
使用环境湿度:85%以下(不能有水滴)

